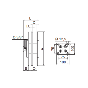
2+3-vejs slangerulle RL - u. slange Galli Erio SRL 4.087.004RMLS3+23/8 Venstre 3/8" - 16000mm Ø625mm Skaffevare Vis produkt