Bliv kunde og få adgang

Slewdrives

JO Hydraulics repræsenterer TGB Group i Danmark. 

TGB producerer drejekranse og slew drives. 

Bemærk at nedenstående er et meget lille udpluk af hvad der ligger på lager i Spanien. 

TGB har stort lager af slew-drives i Barcelona.

Kan du ikke finde hvad du søger nedenfor, så kig i databladet og ring til os for pris og leveringstid. 

 

Slewdrives

Er der noget, som skal rotere langsomt? Med et slewdrive kan maskinen roterer med max 1 omdrejning i minuttet (1 rpm). En alsidig løsning med mange muligheder, som kan bruges til både horisontal og vertikal montering.

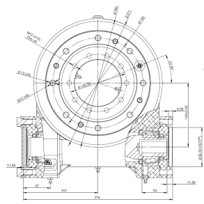
Hvad er Slewdrives?

Et slewdrive er en roterende enhed, som består af et kugleleje med udvendig fortanding og en snekke samlet i et hus.

 

En snekke er en udveksling mellem et tandhjul og en gevindstang. Tandhjulets tænder (formgivet specielt til formålet) går i indgreb med fremspring og fordybninger i snekkens gevind, så hjulet drejes én tand frem (eller tilbage) for hver hele omdrejning, snekken foretager. Snekken gør slewdrivet selvlåsende.

 

Et slewdrive kan drives hydraulisk, manuelt eller med en el-motor, der driver snekken.

 

Dit valg af slewdrive afhænger af maskintype og funktion. Derfor anbefaler vi en teknisk udredning.

Kontakt vores dygtige teknikere for en uforpligtende snak.

 

Hvor bruges slewdrives?

Slewdrives bruges fx:

  • På mandskabslifte med kontinuerlig rotation.
  • På løfteborde til rotation af emner.
  • På trucks til rotatorer – tømning af containere.
  • Langsom rotation med maksimalt 1 omdrejning i minuttet.
  • Til horisontal og vertikal montering.
  • Til solceller for automatisk rotation med solen.

 

Vedligehold af slewdrives

Sørg for at smøre snekken, lejerne og raceway jævnligt. Arbejdsforholdene afgør intervallerne.

 

  • Tørre og renlige arbejdsforhold <0,5rpm: hver 400. time eller en gang hvert år. 
  • Varierende arbejdsforhold >0,5rpm: hver 200. time eller en gang hver sjette måned.
  • Arbejdsforhold ved et hav, tunneller mm: hver 100. time eller en gang hver tredje måned.                     

 

Levering af slewdrives

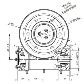
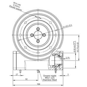
Vi leverer slewdrives fra 100mm-800mm.

Standard slewdrives: Leveringstid 1-2 uger.

Special slewdrives: Minimum 16 ugers leveringstid.

 

Spørgsmål? Så kontakt os endelig

Hos JO Hydraulics vil vi gøre alt for at imødekomme dine ønsker og behov – og vi er altid klar med gode råd og vejledning på tlf. 75 14 15 00 eller e-mail info@johydralics.dk

Antal
stk. tilføjes til valgte lister
Vælg indkøbsliste