Fri fragt på ordrer over 3.000,-
1-2 dages levering
Ring til os 7514 1500
Bliv kunde og få adgang
Scan
Log ind
Kurv
Produkter
Vi tilbyder
Hydraulik
Rådgivning
Udvikling og optimering
Centralsmøring
Koncepter
Kvalitetstjek
Vedligehold af maskiner
Centralsmøring til maskinhandlere
Slanger og fittings
Teknisk assistance - prisliste
Kursus
Webshop-fordele
Brancher
Maskinopbyggere
Lastvognsopbygger
Industri
Vind
Marine og Offshore
Entreprenørmaskiner
Landbrugsmaskiner
Videnscenter
Viden
Teknisk dokumentation
Beregnere
Diagrammer
Instruktionsvideoer
Find erstatningsfilter
Kravspecifikation
Hydraulik-ordbog
Hydrauliksymboler
Kundeservice
Kontakt os
Ordre og levering
Betaling og fakturering
Returnering og reklamation
Om os
JO Hydraulics
Medarbejdere
Leverandører
Job i JO Hydraulics
Bestyrelsen
Sponsorater
Samfundsansvar
Forside
/
Produkter
/
Rotationsdele
/
Slewdrives
/
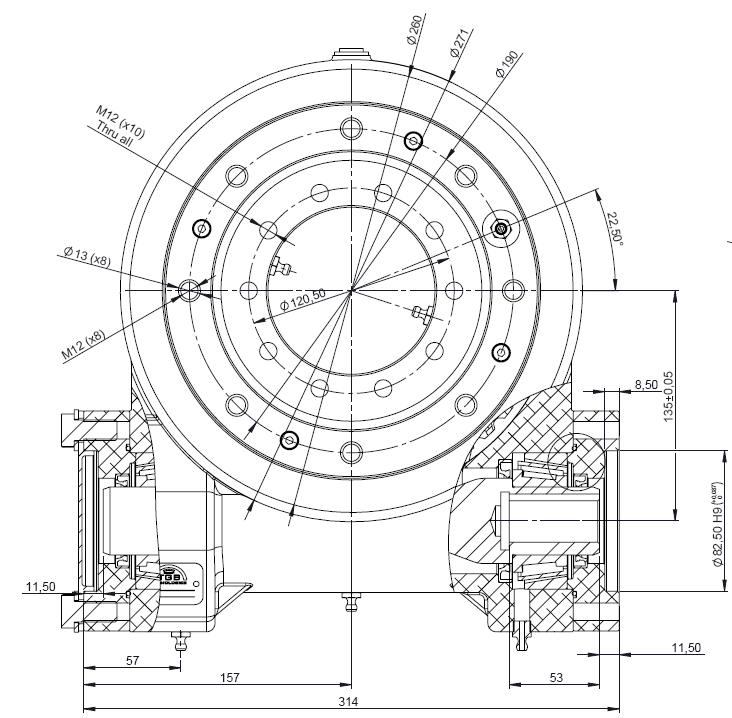
Slewdrive
Slewdrive
Ø271 ø98
Specifikationer
Varenr.:
LBE236-Z1
Udvendig diameter
270 mm
Leverandører:
TGB Group Technologies
På Fjernlager
Log ind for at se priser
Bliv kunde og få adgang
Sidst set
Produkter vises her
Efter stor efterspørgsel er vi tilbage på vores tidligere hjemmeside. Din konto er stadig aktiv – nulstil din adgangskode for at få adgang.
E-mail
Password
Husk log ind
Nulstil adgangskode
Bliv kunde og få adgang
Log ind
Antal
−
+
stk. tilføjes til valgte lister
Vælg indkøbsliste
+ Opret liste
Listenavn
Opret liste
Annuller
Du har ingen favoritlister
Titel
Opret liste
Annuller
Tilføj til liste
Afslut scanning