Bliv kunde og få adgang
JO Hydraulics diagramhub

Hydraulikdiagrammer og opbygninger

Find PDF-diagrammer til LS-systemer, tipsystemer, ramper, pendelsider og specialopbygninger. Brug dem som reference ved fejlsøgning, systemforståelse, opbygning og dialog med JO Hydraulics.

Bemærk: Søgning og forhåndsvisning kræver JavaScript. Hvis denne besked bliver stående efter siden er indlæst, har HostedShop ikke kørt sidens JavaScript. Brug “Åbn PDF” på kortet, eller flyt JS-blokken til HostedShop JavaScript-feltet.

Brug symbolnøglen sammen med diagrammerne. Er du i tvivl om et hydrauliksymbol i et diagram, så slå det op på den separate ISO 1219-symbolside. Symbolsiden er ikke en del af diagramlisten, men fungerer som reference.

Åbn hydrauliksymboler →

Viser 20 af 20 diagrammer

LS-opbygninger

Diagrammer til Load Sensing-systemer, aflastning, falsk LS og kombinationer med tip, gylle og saltspreder.

LS-opbygninger · PDF

Aflastning af LS

Referenceopbygning for aflastning af LS-pumpe og kran, så pumpen aflaster korrekt, når funktionen ikke er aktiv.

LSLoad Sensingaflastningpumpekran
Åbn PDF
LS-opbygninger · PDF

Falsk LS – åben ventil

Opbygning hvor en fast pumpe og ventilopsætning bruges til at simulere LS-funktion med åben ventil.

falsk LSåben ventilLoad Sensingmobilhydraulik
Åbn PDF
LS-opbygninger · PDF

Falsk LS – åben ventil og kran

Diagram til opbygninger hvor falsk LS kombineres med kranfunktion og åben ventil.

falsk LSkranåben ventilLoad Sensing
Åbn PDF
LS-opbygninger · PDF

LS-tip og gylle

Reference til LS-opbygning hvor tipfunktion, walkingfloor og gyllefunktioner indgår i samme hydrauliske løsning.

LStipwalkingfloorgyllelandbrug
Åbn PDF
LS-opbygninger · PDF

LS-tip og saltspreder

Referenceopbygning til systemer hvor tipfunktion og saltspreder kombineres i en LS-løsning.

LStipsaltsprederlastvognmobilhydraulik
Åbn PDF
LS-opbygninger · PDF

Omskift LS / falsk LS

Diagram til opbygninger hvor der skal kunne skiftes mellem LS og falsk LS afhængigt af funktion eller maskintype.

LSfalsk LSomskiftventil
Åbn PDF

Tipsystemer

Diagrammer til tipvogne og lastvognsopbygninger med forskellige tryk- og sænkefunktioner.

Tipsystemer · PDF

Tipsystem 1-tryk

Standardopbygning til tipvogn med ét trykniveau — enkel og driftssikker løsning til almindelige tipfunktioner.

tip1-tryktipvognlastvogn
Åbn PDF
Tipsystemer · PDF

Tip/walkingfloor 2-tryk

Opbygning hvor tip og walkingfloor deler hydraulikkreds og arbejder med to trykniveauer.

tipwalkingfloor2-tryklastvogn
Åbn PDF
Tipsystemer · PDF

Tip med hurtig sænk

Tipsystem med ekstra ventilfunktion, der reducerer sænketiden og giver hurtigere cyklustid.

tiphurtig sænkventiltipvogn
Åbn PDF
Tipsystemer · PDF

Tip med superhurtig sænk

Optimeret tipsystem til maksimal sænkehastighed i intensiv drift eller tidskritiske opgaver.

tipsuperhurtig sænkhøj cyklustidlastvogn
Åbn PDF

Rampeopbygninger

Hydrauliske opbygninger til ramper, spil og kompakte power pack-løsninger med sideforskydning.

Rampeopbygninger · PDF

Spil & drejbare ramper

Hydraulisk opbygning hvor spil og drejbare ramper arbejder sammen i en samlet funktion.

rampespildrejbare ramperspecialkøretøj
Åbn PDF
Rampeopbygninger · PDF

PDV074 – Spil & drejbare ramper

Løsning med PDV074-ventil til styring af flere funktioner omkring spil og drejbare ramper.

PDV074spilrampeventil
Åbn PDF
Rampeopbygninger · PDF

Power pack – rampe med sideforskydning

Kompakt power pack-løsning til rampe med sideforskydning, hvor hydraulikstationen er integreret i opbygningen.

power packrampesideforskydningpumpestation
Åbn PDF

Pendelsider

Diagrammer til hydraulisk betjening af pendelsider og bagsmæk på tipvogne, lastbiler og specialopbygninger.

Pendelsider · PDF

2 pendelsider + bagsmæk (VDM8-ventil)

Komplet pendelside-opbygning med hydraulisk betjening af to pendelsider og bagsmæk via VDM8-ventil.

pendelsidebagsmækVDM8tipvogn
Åbn PDF
Pendelsider · PDF

1 pendelside

Enklere opbygning til køretøjer med én hydraulisk betjent pendelside.

pendelsidetipvognlastbilsidebetjening
Åbn PDF

Diverse diagrammer

Specialopbygninger og projektnære diagrammer, der ikke passer i de øvrige faste kategorier.

Diverse diagrammer · PDF

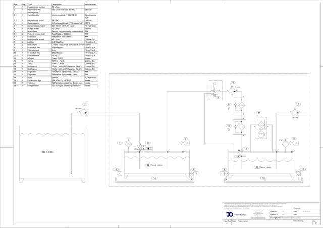
Dybdefiltrering

Diagram for offline-/dybdefiltrering med stykliste, relevant ved renere olie og beskyttelse af følsomme komponenter.

dybdefiltreringfiltreringstyklisteolie
Åbn PDF
Diverse diagrammer · PDF

8/3-vejsventil ved 2x 6/2-ventiler

Specialopbygning der viser 8/3-vejsfunktion ved brug af to 6/2-ventiler.

8/36/2retningsventilspecialventil
Åbn PDF
Diverse diagrammer · PDF

Alternativ for hestekraftkompenseret pumpe

Diagram der viser et alternativ til hestekraftkompenseret pumpe i en hydraulisk opbygning.

hestekraftkompenseret pumpepumpealternativhydrauliksystem
Åbn PDF
Diverse diagrammer · PNG

Hurtigskiftventil

Billeddiagram til hurtigskiftventil, relevant som visuel reference ved specialopbygninger.

hurtigskiftventilPNGspecialopbygningventil
Åbn billede
Diverse diagrammer · PDF

Sidepresenning oprul

Diagram til hydraulisk oprul af sidepresenning, relevant til lastvogns- og specialopbygninger.

sidepresenningoprullastvognspecialopbygning
Åbn PDF
Ingen diagrammer fundetPrøv et andet søgeord eller vælg en anden kategori.
Brug for hjælp til en hydraulisk opbygning?Vores CETOP 1-certificerede specialister hjælper med diagrammer, komponentvalg og dimensionering.

Sådan bruger du hydraulikdiagrammerne

Diagrammerne er samlet som praktiske referenceopbygninger til LS-systemer, tipvogne, ramper, pendelsider og specialløsninger. Brug dem til at forstå systemopbygning, forklare en funktion internt eller forberede dialogen med JO Hydraulics om komponentvalg.

  • LS-opbygninger dækker Load Sensing, falsk LS og kombinationer med tip, gylle og saltspreder.
  • Tipsystemer viser 1-tryk, 2-tryk, walkingfloor samt hurtig og superhurtig sænk.
  • Rampeopbygninger dækker spil, drejbare ramper, PDV074 og power pack med sideforskydning.
  • Pendelsider viser både enkelt pendelside og løsning med to pendelsider, bagsmæk og VDM8-ventil.
  • Diverse diagrammer samler specialopbygninger som dybdefiltrering, 8/3-vejsventil og pumpealternativer.

Til diagramtegning bruger vi Hydrosym. Prøv det gratis i en måned.