Fri fragt på ordrer over 3.000,-
1-2 dages levering
Ring til os 7514 1500
Bliv kunde og få adgang
Scan
Log ind
Kurv
Produkter
Vi tilbyder
Hydraulik
Rådgivning
Udvikling og optimering
Centralsmøring
Koncepter
Kvalitetstjek
Vedligehold af maskiner
Centralsmøring til maskinhandlere
Slanger og fittings
Teknisk assistance - prisliste
Kursus
Webshop-fordele
Brancher
Maskinopbyggere
Lastvognsopbygger
Industri
Vind
Marine og Offshore
Entreprenørmaskiner
Landbrugsmaskiner
Videnscenter
Viden
Teknisk dokumentation
Beregnere
Diagrammer
Instruktionsvideoer
Find erstatningsfilter
Kravspecifikation
Hydraulik-ordbog
Hydrauliksymboler
Kundeservice
Kontakt os
Ordre og levering
Betaling og fakturering
Returnering og reklamation
Om os
JO Hydraulics
Medarbejdere
Leverandører
Job i JO Hydraulics
Bestyrelsen
Sponsorater
Samfundsansvar
Forside
/
Produkter
/
Tip, skifte- & stopventiler
/
Tipventiler
/
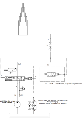
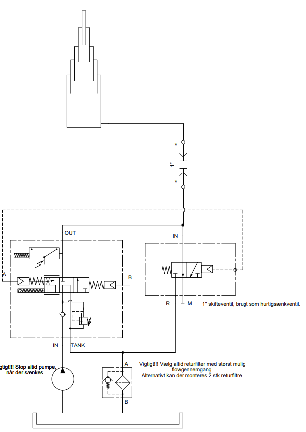
1-tryks tipventil til hurtigsænk
Beskrivelse
Hurtigsænk 250+ liter/minut Superhurtig sænk 300+ liter/minut
1-tryks tipventil til hurtigsænk
Se diagram for specifikationer
Specifikationer
Varenr.:
STYK100043
Type
1 Tryk
Aktivering
Luft
Gevind
1" BSP
Maks arbejdstryk
400 Bar
L/min
250 L/min
Vægt:
9,93 kg.
Leverandører:
JO Hydraulics A/S
Se alle
Skjul igen
Skaffevare
Tilbehør til ovenstående produkt
Lufthåndtag N-Force EVO
Låst op ned - manuel PTO Knock-off
Varenr.:: 10000131067
26
stk.
på lager
Pressostat for tipventil. Max 300 bar
1/8" nippel ikke justerbar 2-5 bar 3 pole PACKARD (AMD superseal)
Varenr.:: 31200500101
14
stk.
på lager
Holder til lufthåndtag m ø25 rørholder
For N FORCE serien
Varenr.:: 10000270056
58
stk.
på lager
Holder til lufthåndtag m ø22 rørholder
For N FORCE serien
Varenr.:: 10000270181
33
stk.
på lager
Lufthåndtag - bundporte
Låst op ned - manuel 3 POS Proportional begge veje
Varenr.:: 10000140017
4
stk.
på lager
Lufthåndtag - sideporte
Låst op ned - manuel 3 POS Kun Proportional Ned
Varenr.:: 10000140035
4
stk.
på lager
Lufthåndtag - bundporte
Låst ned 3 POS Kun Proportional Ned
Varenr.:: 10000140044
26
stk.
på lager
Lufthåndtag N-Force EVO
Låst ned - manuel PTO Knockoff
Varenr.:: 10000131127
3
stk.
på lager
Lufthåndtag N-Force EVO
Låst op ned - automatisk PTO Knock-off
Varenr.:: 10000131094
11
stk.
på lager
Lufthåndtag N-Force EVO
Uden Lås - Fjeder retur - manuel PTO Knock-off
Varenr.:: 10000131030
36
stk.
på lager
Lufthåndtag N-Force EVO
Låst op ned - uden PTO
Varenr.:: 10000131101
16
stk.
på lager
Lufthåndtag N-Force EVO
Uden lås - Fjeder retur - uden PTO
Varenr.:: 10000131110
15
stk.
på lager
Lufthåndtag N-Force EVO
Låst ned - uden PTO
Varenr.:: 10000131218
5
stk.
på lager
Lufthåndtag N-Force EVO
Låst ned - automatisk PTO Knock-off
Varenr.:: 10000131209
28
stk.
på lager
Testnippel 1/8" BSP M16x2
Med hætte og kæde
Varenr.:: S10718G00C
126
stk.
på lager
Magnetventil luft 24vdc 3/2 NC
Med nødbetjening - Inklusiv stik og prop 1/8" porte
Varenr.:: STYK100049
2
stk.
på lager
Filtre til ovenstående produkt
Returfilter 1 1/4" + 1" + 3/4"
350 l/min - ø129 - 25 my papirelement Bypass 1,7 bar
Varenr.:: FRMR145C25BBB6B4B50D
7
stk.
på lager
Vis mere
Vis mindre
Log ind for at se priser
Bliv kunde og få adgang
Sidst set
Produkter vises her
Efter stor efterspørgsel er vi tilbage på vores tidligere hjemmeside. Din konto er stadig aktiv – nulstil din adgangskode for at få adgang.
E-mail
Password
Husk log ind
Nulstil adgangskode
Bliv kunde og få adgang
Log ind
Antal
−
+
stk. tilføjes til valgte lister
Vælg indkøbsliste
+ Opret liste
Listenavn
Opret liste
Annuller
Du har ingen favoritlister
Titel
Opret liste
Annuller
Tilføj til liste
Afslut scanning