Bliv kunde og få adgang

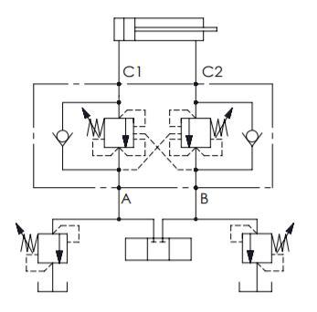
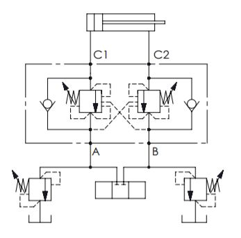
Overcenterventil Dobbelt

3/8" 9.5:1 10-45 l/min 100-350 bar
Standard indstilling 250 bar max 500 bar
Specifikationer
Varenr.: A0703061300
Type Dobbelt
Udgange Uden bremseløft
Gevind 3/8" BSP
Maks arbejdstryk 500 Bar
L/min 10 L/min, 45 L/min
Pilotforhold 9,5:1
Vægt: 1,82 kg.
Leverandører:
Skaffevare