Bliv kunde og få adgang
Billigst på PriceRunner

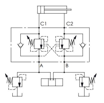
Overcenterventil Dobbelt

3/8" 4,84:1 10-45 l/min 100-350 bar
Standard indstilling 300 bar max 500 bar
Specifikationer
Varenr.: A0703061100
Type Dobbelt
Udgange Uden bremseløft
Gevind 3/8" BSP
Maks arbejdstryk 500 Bar
L/min 10 L/min, 45 L/min
Pilotforhold 4,84:1
Leverandører:
Skaffevare