Bliv kunde og få adgang

Diverse hydraulikdiagrammer

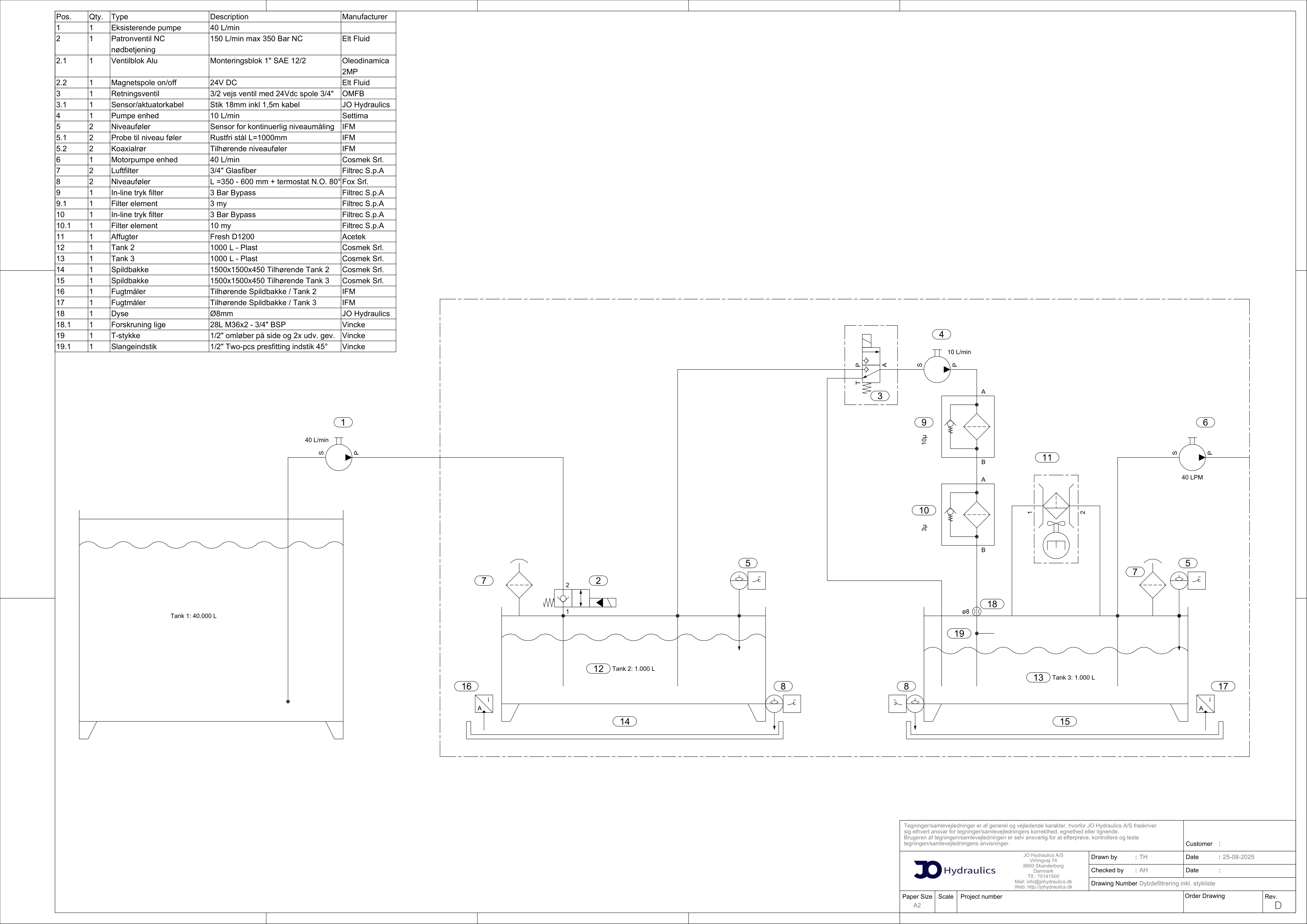
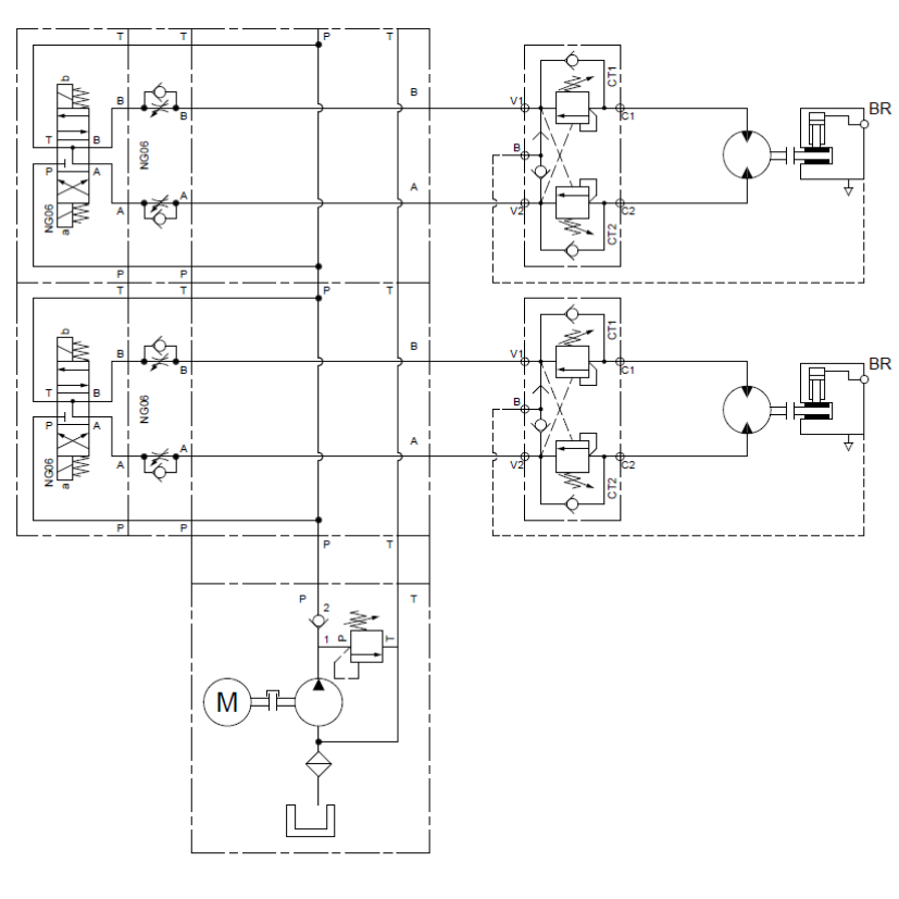
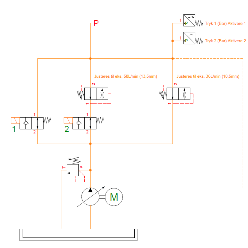
Her finder du en samling af specialopbygninger og diagrammer der ikke falder ind under de øvrige kategorier. Eksempler fra konkrete projekter, specialventiler og mindre standardiserede løsninger, som kan bruges som reference eller inspiration i dit næste projekt.

Kom tilbage til diagram-oversigten for flere typer, eller se også LS-opbygninger og tipsystemer.

Specialdiagrammer til inspiration

Ikke alle hydrauliske opbygninger falder ind i faste kategorier. Diagrammerne ovenfor viser forskellige specialløsninger fra konkrete kundeprojekter – alt fra filtreringsløsninger til avancerede ventilkonfigurationer og pumpe-alternativer.

Har du brug for rådgivning om en speciel hydraulikopbygning, eller ønsker du at få lavet et diagram over dit eget system? Vores CETOP 1-certificerede specialister hjælper gerne med både design, dimensionering og dokumentation. Ring på 7514 1500 eller skriv til info@johydraulics.dk.

Se også vores udvikling og optimering af hydrauliksystemer, hvor vi tilbyder dybere teknisk support til specialprojekter.

Antal
stk. tilføjes til valgte lister
Vælg indkøbsliste