Bliv kunde og få adgang

Tipsystem-diagrammer

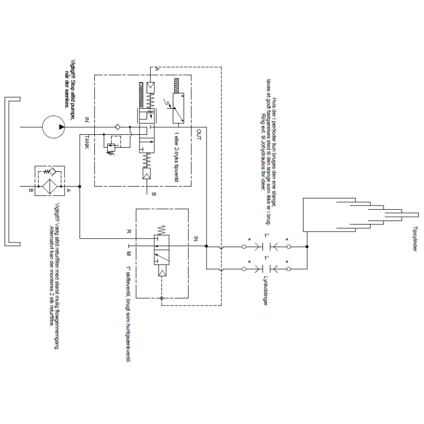
Her finder du hydraulikdiagrammer for tipsystemer – fra grundlæggende 1-tryk-opbygninger til avancerede 2-tryk-systemer med walkingfloor og hurtig-sænk-funktion. Diagrammerne er i PDF og kan frit bruges som reference i dit næste projekt.

Kom tilbage til diagram-oversigten for flere typer, eller se også pendelside-diagrammer og rampeopbygninger.

Om tipsystemer

Tipsystemer er hydrauliske opbygninger til tipvogne, hvor ladet skal kunne tippes hydraulisk for af- og pålæsning. Valget af system afhænger af hvor hurtigt ladet skal kunne sænkes igen, og om der skal kombineres med andre funktioner som walkingfloor.

  • 1-tryk – Standard-opbygning med ét tryk-niveau – enkelt og driftssikkert
  • Walkingfloor 2-tryk – Avanceret opbygning hvor tip og walkingfloor deler hydraulikkreds
  • Hurtig sænk – Ekstra ventil der reducerer sænkningstiden markant
  • Superhurtig sænk – Optimeret løsning for maksimal sænkningstid til intensiv drift

Har du brug for rådgivning om valg af ventiler eller dimensionering af din tipvognsopbygning? Vores CETOP 1-certificerede specialister hjælper gerne. Ring på 7514 1500 eller skriv til info@johydraulics.dk.

Se vores program inden for tip-, skifte- og stopventiler – de centrale komponenter i alle tipsystemer. Vi leverer også komplette løsninger til lastvognsopbyggere.

Antal
stk. tilføjes til valgte lister
Vælg indkøbsliste